天逸AD-8PRE/AD-8PAhi-fi電子分音新旗艦純甲類功放的玩法之二:
三分頻接線詳細介紹
天逸AD-8PRE/AD-8PA高保真電子分音新旗艦純甲類功放是天逸嘔心瀝血開發研制的、迄今為止天逸最高端的旗艦級高保真功放,這是天逸音響多年來積累的高保真功放之經驗和時下科技含量極高的DSP數字聲場效果處理技術結合的完美產物,這也是迄今為止天逸擁有自主知識產品的最頂級高保真電子分音新旗艦純甲類功放。




天逸的該頂級旗艦功放可以向對音質音色有嚴格要求的骨灰級發燒友提供至少4中不同方式的接線配箱的玩法,其中有:
一:兩分頻電子分音接線玩法:即搭配指定的天逸高端兩分頻電子分音童笛9號音箱;
二:三分頻電子分音接線玩法:即搭配指定的天逸高端四單元三分頻大型落地式音箱童笛一號音箱;
三:將AD-8PRE/AD-8PA作為標準前/后級功放使用:搭配任何其他品牌的(音箱內帶功率分頻器)的高保真音箱;
四:將AD-8PRE/AD-8PA作為雙功放輸出:搭配任何其他品牌的(音箱內帶功率分頻器)的高保真音箱。
以下是AD-8PRE前級原理框圖:

以下是AD-8PA一個聲道的功率放大電路圖,整機一共有6個獨立的單聲道功率放大電路:
如果您的家中聽音面積不大,您可以采用我們已經介紹過的第一種標準搭配方案玩兩分頻電子分音;
如果您家的房間較大,最理想的搭配方案還是三分頻電子分音接線玩法(即第二種配音箱和接線方式方法)。
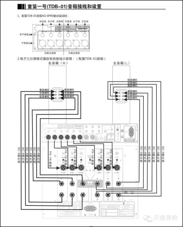
今天我們就向大家介紹第二種配箱接線玩法:AD-8PRE/AD-8PA功放搭配天逸目前最高端的四單元三分頻大型落地式音箱“童笛一號”音箱:
這是一款專門為搭配AD-8PRE/AD-8PA而開發的四單元三分頻大型電子分頻專用箱,須知這對音箱的凈重重達96公斤!足以說明箱體的結實程度,表面裝飾著昂貴的進口紅酸枝真木皮,視覺效果高貴中透出大氣磅礴的霸氣!
配合前面板上部經特殊工藝涂覆處理的皮紋漆,更使該箱在高大威猛中透出一種端莊和厚重的貴族風韻,我們注意到:“童笛一號”比天逸的另一款AV旗艦音箱“童笛八號”還要高出一輪,當兩套音箱擺放在一起時,“童笛一號”是絕對的王者。
其中1寸的高密度球頂蠶絲膜高音和7寸的中音單元喇叭、以及雙8寸中低音喇叭均是來自于具有丹麥血統的海外名廠OEM的。特別是中低音單元,選用了聲頻分布均勻自然的天然松壓振盆材料、這種特殊的振盆被發燒友昵稱為皺皮仔,不僅內阻尼相當理想,剛性和強度也得到大大提高,使聲音的失真更低,瞬態更好,音質特別細膩甜美圓潤。喇叭采用了散熱不錯的鑄鋁盆架、大口徑5N無氧銅線、耐高溫鋁鎂合金骨架、超長沖程大口徑音圈以及巨型天然特強永磁鋼,還有柔如眼皮般高級的天然橡膠彈波懸掛系統等高技術含量材料等,使該喇叭不僅音質圓融醇美,音樂背景干凈通透,阻尼系數高,瞬態好、聲音收發自如,絕不拖泥帶水。
高音單元采用透明絲質振膜,音色明亮通透,高頻的延伸非常到位。
值得一提的是,該箱的靈敏度非常理想:高音單元為90db、中音和低音單元都為88db,以至于高音非常美艷、中頻音樂味非常厚實濃郁,低音更是量感十足,并具有很高的功率承受能力,能輕易經受諸如柴可夫斯基1812的超強炮聲和動態龐大無匹的斯托科夫斯基《狂想曲》之類的考驗而且失真極小。
欣賞AD-8PRE/AD-8A搭配童笛一號音箱,的確是一種非常難得的音樂體驗和享受,它的聲音高貴、圓融,柔和綿密,正如窖藏百年的茅臺美酒,開聲就有芳香四溢、醇厚濃郁的音樂味撲面而來.....
音質不僅高貴華麗、細節表現巨細無遺。樂器的泛音和空氣感也非常好,有一種入耳即溶的圓潤和甜美,讓人一聽傾心、欲罷不能,就只能這樣一首接一首的聽下去......
以下我們就把這套音響的具體的接線和音箱加載功放菜單的設置方法畫成圖供大家參考:
AD-8PRE/AD-8搭配童笛1號音箱具體菜單設置:
AD-8PRE/AD-8PA功放遙控器功能介紹: